| |
 |
|
銷售一部
鄭經理 0510-88301230
手機 15852539554
QQ 1983545134
銷售二部
沈經理 15852796716
QQ 913604226
銷售三部
劉經理 18706194598
QQ 470087325
技術部 手機 18706194598
公司傳真 0510-88791377
公司郵箱 sales@wxxqjb.com
公司網站 m.sxjianding.cn
地址:無錫惠山經濟開發區前洲配套區余浩路3號
|
|
|
|
|
|
|
|
|
| |
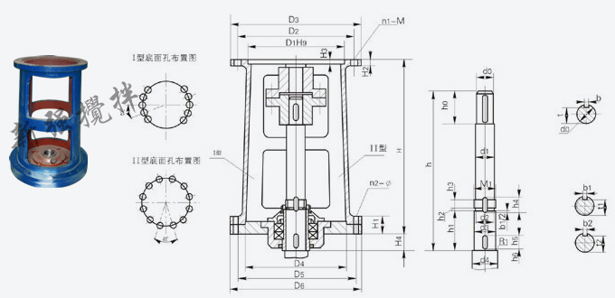
DXJ型單支點機架主要參數及尺寸 |
| |
機架型號 |
H |
H1 |
H2 |
H3 |
H4 |
輸入端接口 |
輸出端接口 |
D1 |
D2 |
D3 |
n1-M |
D4 |
D5 |
D6 |
a° |
n2-φ |
DXJ30AB |
470 |
40 |
15 |
4 |
45 |
140
200 |
160
230 |
190
260 |
4-M10
6-M12 |
240 |
285 |
315 |
Ⅰ20
Ⅱ30 |
10-φ14
12-φ14 |
DXJ35A |
524 |
48 |
15 |
5 |
47 |
170 |
200 |
230 |
6-M10
6-M12 |
260 |
320 |
360 |
Ⅰ20
Ⅱ30 |
10-φ14
12-φ14 |
DXJ40AB |
524 |
48 |
15 |
4 |
47 |
200
230 |
230
260 |
260
290 |
6-M10
6-M12 |
260 |
320 |
360 |
Ⅰ20
Ⅱ30 |
10-φ14
12-φ14 |
DXJ45A |
524 |
48 |
15 |
5 |
49 |
200 |
230 |
260 |
6-M10
6-M12 |
260 |
320 |
360 |
Ⅰ20
Ⅱ30 |
10-φ14
12-φ14 |
DXJ55AB |
570 |
60 |
20 |
6
5 |
47 |
270 |
310
305 |
340 |
6-M10
8-M16 |
325 |
400 |
435 |
30 |
12-φ14 |
DXJ65A |
634 |
68 |
20 |
6
5 |
58 |
316 |
360 |
400 |
8-M12
8-M16 |
350 |
420 |
460 |
30 |
12-φ18 |
DXJ70AB |
634 |
68 |
20 |
6 |
58 |
316(320)
320 |
360 |
400 |
8-M12
8-M16 |
350 |
420 |
460 |
30 |
12-φ18 |
DXJ80AB |
678 |
76 |
25 |
6
5 |
70 |
345
360 |
390
410 |
430
460 |
8-M16
8-M20 |
380 |
455 |
495 |
30 |
12-φ18 |
DXJ90A |
700 |
80 |
25 |
7 |
72 |
400 |
450 |
490 |
12-M16
12-M20 |
430 |
510 |
555 |
30 |
12-φ23 |
DXJ100AB |
740 |
80 |
25 |
9
5 |
76 |
455(460)
470 |
520 |
580 |
12-M20 |
480 |
560 |
600 |
22.5 |
16-φ23 |
DXJ110A |
840 |
80 |
30 |
11
6 |
76 |
520 |
590 |
650 |
12-M20 |
560 |
650 |
700 |
22.5 |
16-φ27 |
DXJ120A |
840 |
80 |
30 |
11
6 |
76 |
520 |
590 |
650 |
12-M20 |
560 |
650 |
700 |
22.5 |
16-φ27 |
DXJ130AB |
950 |
94 |
30 |
11
9 |
85 |
680 |
800 |
880 |
12-M30 |
720 |
810 |
880 |
18 |
20-φ27 |
DXJ140A |
950 |
94 |
30 |
11
9 |
85 |
680 |
800 |
880 |
12-M30 |
720 |
810 |
880 |
18 |
20-φ27 |
DXJ150AB |
950 |
94 |
35 |
14
10 |
85 |
820 |
940 |
1020 |
16-M30 |
840 |
940 |
1020 |
22.5 |
16-φ33 |
|
| |
| |
DJ,LDJ90A |
375 |
125 |
168 |
4 |
20 |
36 |
60 |
3 |
90 |
91 |
92 |
M95×2 |
95 |
4110 |
25 |
12 |
12 |
81 |
89 |
90 |
805 |
266 |
955 |
276 |
DJ,LDJ100AB |
386/360 |
134 |
178 |
4 |
24 |
42 |
60 |
3 |
100 |
111 |
112 |
M115×2 |
115 |
125 |
28 |
14 |
14 |
90 |
109 |
109.5 |
820 |
347 |
1020 |
362 |
DJ,LDJ110A |
456 |
155 |
178 |
4 |
24 |
42 |
60 |
3 |
110 |
112 |
112 |
M115×2 |
115 |
125 |
28 |
14 |
14 |
100 |
108 |
109.5 |
1100 |
533 |
1150 |
537 |
DJ,LDJ120A |
456 |
155 |
178 |
4 |
24 |
42 |
60 |
3 |
120 |
122 |
122 |
M125×2 |
125 |
140 |
32 |
14 |
14 |
109 |
119 |
119.5 |
1100 |
553 |
1150 |
557 |
DJ,LDJ130AB |
570/570 |
197 |
208 |
4 |
28 |
46 |
70 |
3 |
130 |
135 |
137 |
M140×2 |
140 |
150 |
32 |
14 |
14 |
119 |
132 |
134.5 |
1200 |
723 |
1400 |
754 |
DJ,LDJ140A |
570 |
197 |
208 |
4 |
28 |
48 |
70 |
3 |
140 |
145 |
147 |
M150×2 |
150 |
160 |
36 |
16 |
16 |
128 |
142 |
144 |
1200 |
743 |
1400 |
774 |
DJ,LDJ150 |
根據減
速機型
號而定 |
210 |
208 |
4 |
32 |
52 |
70 |
3 |
150 |
155 |
156 |
M160×3 |
160 |
170 |
36 |
16 |
16 |
138 |
152 |
154 |
1200 |
765 |
1400 |
798 |
DJ,LDJ160 |
210 |
227 |
4 |
32 |
52 |
80 |
3 |
160 |
165 |
166 |
M170×3 |
170 |
180 |
40 |
16 |
16 |
147 |
162 |
164 |
1200 |
780 |
1400 |
820 |
DJ,LDJ180 |
235 |
242 |
4 |
36 |
58 |
90 |
3 |
180 |
185 |
186 |
M190×3 |
190 |
200 |
45 |
18 |
18 |
165 |
180 |
182 |
1280 |
887 |
1400 |
933 |
DXJ160AB |
950 |
100 |
35 |
14
10 |
95 |
820 |
940 |
1020 |
16-M30 |
840 |
940 |
1020 |
22.5 |
16-φ33 |
DXJ180AB |
1050 |
100 |
40 |
14
10 |
115 |
960 |
1080 |
1160 |
20-M30 |
970 |
1080 |
1160 |
18 |
20-φ33 |
機架型號 |
h(A/B) |
攪拌軸軸端尺寸 |
重量kg |
h0 |
h1 |
h2 |
h3 |
h4 |
h5 |
h6 |
d0 |
d1 |
d2 |
M1 |
d3(h9) |
d4 |
b |
t |
t1 |
b1 |
t2 |
b2 |
DXJ30AB |
431/445 |
53 |
103 |
3 |
13 |
22 |
30 |
3 |
30 |
32 |
32.8 |
M35×1.5 |
35 |
40 |
8 |
26 |
31 |
6 |
31.5 |
6 |
48 |
DXJ35A |
490 |
53 |
113 |
3 |
15 |
24 |
40 |
3 |
35 |
42 |
42.8 |
M45×1.5 |
45 |
50 |
10 |
30 |
41 |
6 |
41.5 |
6 |
62 |
DXJ40AB |
479/482 |
69 |
113 |
3 |
15 |
24 |
40 |
3 |
40 |
42 |
42.8 |
M45×1.5 |
45 |
50 |
12 |
35 |
41 |
6 |
41.5 |
6 |
62 |
DXJ45A |
481 |
69 |
113 |
3 |
15 |
28 |
40 |
3 |
45 |
47 |
47.8 |
M50×1.5 |
50 |
65 |
14 |
39.5 |
46 |
8 |
46 |
8 |
67 |
DXJ55AB |
530 |
80 |
118 |
4 |
15 |
27 |
40 |
3 |
55 |
57 |
57 |
M60×2 |
60 |
65 |
16 |
49 |
56 |
8 |
56 |
8 |
107 |
DXJ65A |
590 |
87 |
143 |
4 |
18 |
32 |
50 |
3 |
65 |
71 |
72 |
M75×2 |
75 |
80 |
18 |
58 |
69 |
10 |
70 |
10 |
150 |
DXJ70AB |
590/580 |
87 |
143 |
4 |
18 |
32 |
50 |
3 |
70 |
71 |
72 |
M75×2 |
75 |
80 |
20 |
62.5 |
69 |
10 |
70 |
10 |
150 |
DXJ80AB |
630/590 |
91 |
163 |
4 |
18 |
32 |
60 |
3 |
80 |
81 |
82 |
M85×2 |
85 |
90 |
22 |
71 |
79 |
10 |
80 |
10 |
213 |
DXJ90A |
636 |
125 |
168 |
4 |
20 |
36 |
60 |
3 |
90 |
91 |
92 |
M95×2 |
95 |
110 |
25 |
81 |
89 |
12 |
90 |
12 |
276 |
DXJ100AB |
667/641 |
134 |
178 |
4 |
24 |
42 |
60 |
3 |
100 |
111 |
112 |
M115×2 |
115 |
125 |
28 |
90 |
109 |
14 |
109.5 |
14 |
326 |
DXJ110A |
712 |
155 |
178 |
4 |
24 |
42 |
60 |
3 |
110 |
112 |
112 |
M115×2 |
115 |
125 |
28 |
100 |
109 |
14 |
109.5 |
14 |
505 |
DXJ120A |
712 |
155 |
178 |
4 |
24 |
42 |
60 |
3 |
120 |
122 |
122 |
M125×2 |
125 |
140 |
32 |
108 |
119 |
14 |
119.5 |
14 |
5410 |
DXJ130AB |
815/815 |
197 |
208 |
4 |
28 |
46 |
70 |
3 |
130 |
135 |
137 |
M140×2 |
140 |
150 |
32 |
119 |
132 |
14 |
134.5 |
14 |
689 |
DXJ140A |
815 |
197 |
208 |
4 |
32 |
52 |
70 |
3 |
140 |
145 |
147 |
M150×2 |
150 |
160 |
36 |
128 |
142 |
16 |
144 |
16 |
696 |
DXJ150AB |
根據減速機型號而定 |
210 |
208 |
4 |
32 |
52 |
70 |
3 |
150 |
155 |
156 |
M160×3 |
160 |
170 |
36 |
138 |
152 |
16 |
154 |
16 |
708 |
DXJ160AB |
210 |
227 |
4 |
32 |
52 |
80 |
3 |
160 |
165 |
166 |
M170×3 |
170 |
180 |
40 |
147 |
162 |
16 |
164 |
16 |
930 |
DXJ180AB |
290 |
242 |
4 |
36 |
58 |
90 |
3 |
180 |
185 |
186 |
B190×3 |
190 |
200 |
45 |
165 |
180 |
18 |
182 |
18 |
1240 |
|
| |
注:圖示所注“h”僅與本樣本BLD、LC-Ⅱ、DC-Ⅱ系列減速機相配,如選用其他型號或其他廠家減速機,“h”需另行計算。 |
|